
Wenn man eine Spule aus einem Elektromagneten trennt, entsteht in deren Anschlüsse eine inverse Abschaltüberspannung mit einer sehr hohe und steile Flanke, die sehr hohe Spannungswerte erreichen kann.
Diese Impulse können sich durch die verbunde Leitungen übertragen werden und möglicherweise Auswirkungen auf andere angeschlossene Komponenten haben.
Im Falle von Halbleiter wie Transistoren, Triacs, etc, ist unbedingt notwendig, diese Komponenten gegen die Abschaltüberspannung zu schutzen.
Im Versorgungsnetz können kurzfristig, vereinzeln oder reihenweise, sehr hohe Spannungspitzen durch Ein-und Ausschalten von Spulen, Kondensatoren, Leistungshalbleiter entstehen.
Normalerweise ist ein Relais unempfindlich gegen diese Impulse, aber wenn die Relaisspule eine Freilaufdiode hat, muss die Spannungsfestigkeit der Diode höher als die Spannungspitzen sein.
Eine Schutzschaltung muss effizient ausgelegt sein, um die in der Spule generiete Abschaltüberspannung zu dämpfen und gleichzeitig die durch das Netz ankommende Störimpulse zu widerstehen (Spannungsspitzen U1,2/50µs.).
Die RelayGo Relais verfügen über eine integrierte Schutzbeschaltung.
| Relais RM - RQ | |
|---|---|
L - LED mit Brücke Gleichrichter. |
|
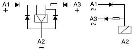
D - Freilaufdiode. |
|
E - Polaritätschutz und Freilaufdiode. |
|
U - Integrienter Brückengleichrichter. |
|
R - Widerstand und Kondensator. LED-Status-Anzeige nicht Verfügbar |
|
| Remanenzrelais |
|
| Multispannungsrelais von 12 bis 240V AC/DC, 0 bis 400 Hz. |
|
| Relais RF | |
L - LED ohne Polarität |
|
LE - LED polarität A+ (optional) |
|
LU - LED ohne polarität nur in 24 und 48 VDC (optional) |
|
R - Kondensator und Widerstand. LED-Status-Anzeige nicht Verfügbar |
|
| HL - Multispannungsrelais von 24 bis 240V AC/DC, 0 bis 400 Hz. |
|
| Module MM | Interface Relais RF | Industrie Relais RM | Leistungs Relais RP |
| Miniatur Relais RQ | Eisenbahn Relais RR | Zeitbausteine TM | Spezielle Relais RE |
| Module MM | Interface Relais RF | Industrie Relais RM | Leistungs Relais RP | |
| Miniatur Relais RQ | Eisenbahn Relais RR | Halbleiter Relais RS | Zeitbausteine TM | Relaisfassungen, Zubehör |
| Allgemeine Informationen | Qualitätszertifikate | Kodifikation | Spulenbeschaltung | Anwendungen und Symbole |
Nichts gefunden?… oder wollen Sie mehr über RelayGo Spulenbeschaltung und Zubehör wissen? dann rufen Sie uns doch mal an!: +49 7082 94 00 00 oder senden Sie uns ein Fax: +49 7082 94 00 01 oder eine Anfrage an Kühn Controls… wir helfen Ihnen gerne weiter.
Kühn Controls AG, Vertriebsbüro Deutschland, Gräfenhäuser Str. 14, 75305 Neuenbürg, Germany • Tel.: +49 7082 94 00 00 • Fax: +49 7082 94 00 01 • Kontakt • Anbieterkennzeichnung