Kühn Controls

RELECO

Catálogo de simbología y aplicaciones

Ésta y las próximas páginas Web están relacionadas exclusivamente a los relés RELECO que se han desarrollado, fabricado y entregado desde España.
Parte del contenido está desactualizado y sólo sirve para fines ilustrativos.
Los nuevos relés llevan la marca COMAT RELECO.

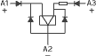
Relés de aplicación general A un contacto inversor Relés de aplicación general

Se utilizan en aplicaciones tales como automatismos, neumática, calefacción, señalización, interface de entrada o salida, etc.
Contactos inversores. Aislamiento entre NA/NC: 1000 Vrms. Distancia entre contactos (gap): 0,5 mm.
Carga nominal hasta:
16A @ 230V AC1
16A @ 30V DC1
0,5A @ 110V DC1
0,2A @ 220V DC1

Relés con doble ruptura X doble ruptura Relés con doble ruptura

Estos relés estan diseñados para la conexión de cargas altas en CC, a tensiones de 110 y 220V DC1.
Disponen de un contacto abierto con una distancia entre contactos (gap) total ≥ 3 mm.
Aislamiento entre contactos: > 2000 Vrms.
La intensidad máxima posible de conexión en CC se muestra en las tablas correspondientes a cada modelo.
Se ejecutan en los formatos MR-C y QRC.

Relés sensibles S un contacto inversor Relés sensibles, 250 mW (un contacto inversor).

Relés sensibles E dos contactos inversores Relés sensibles, 500 mW (dos contactos inversores).

Relés sensibles N tres contactos inversores Relés sensibles, 800 mW (tres contactos inversores).

Relés con bobina de CC y ajustes especiales para operar a 250 mW, 500 mW y 800 mW, en formato MR-C y QR-C.
Contactos dorados con 0,2μ o 10μ Au.
Márgenes de operación:
Relés S: 0,8 … 2,5 UN
Relés E: 0,8 … 1,7 UN
Relés N: 0,8 … 1,4 UN

Contacto de potencia y contacto bífido para baja señal H Contacto de potencia y contacto bífido para baja señal Relés con contacto de potencia y contacto bífido para baja señal

El relé que combina en la misma unidad la potencia de un modelo estándar (A) y la fiabilidad de un contacto bífido.
Especialmente diseñado para usos donde se requieren información de vuelta.

Relés de estado sólido SS Estado Sólido Relés de estado sólido

Relé de conmutación electrónica donde la rapidez y la ausencia de partes mecánicas lo hacen conveniente para una larga vida.
Varios modelos para usos diferentes en corriente alterna (CA) o corriente continua (CC).
Por ejemplo, relé con salida en CC y punto 2 positivo común, indicado para cargas resistivas o inductivas.
Relé con salida en CC y punto 2 negativo común, indicado para cargas resistivas o inductivas.
Relé con salida en CA de conmutación instantánea, indicado para cargas inductivas.
Relé con salida en CA y conmutación en el paso por cero de la tensión. Indicado para cargas resistivas, y lámparas incandescentes.

Relés con contactos bifurcados T Relés con contactos bifurcados Relés con contactos bifurcados

Se utilizan para la conmutación de cargas débiles con alta fiabilidad.
Contactos inversores.
Aislamiento entre contactos NA/NC: 1000 Vrms.
Distancia entre contactos (gap): 0,5 mm
Contactos dorados con flash de 0,2μ Au o con 10μ Au (opcional)
Carga máxima: 6A @ 230V AC1
Carga mínima: 1mA @ 5V DC1

Relés de remanencia R Relés de remanencia Relés de remanencia

Un circuito magnético de alta remanencia permite que el relé se enclave si la corriente circula en una dirección determinada y desenclave si lo hace en sentido contrario.
En el interior del relé se instala un circuito con los diodos y resistencias precisas para su control y protección contra posibles pulsos transitorios en la línea.
Hay un bobinado para relés de CA y dos bobinados para relés de CC.
Todas las bobinas soportan conexión permanente.
El relé opera con pulsos mínimos de 50 ms. a la tensión nominal.

bobina de corriente contínua
Relés de CC
bobina de corriente alterna
Relés de CA

Relé de sobrecarga W Relé de sobrecarga Relé de sobrecarga

Dos contactos abiertos, uno de plata y otro de tungsteno actúan en paralelo, desplazados entre sí, de modo que el contacto de tungsteno conecta y desconecta la carga mientras que el contacto de plata conduce la corriente estable.
El relé es adecuado para conectar lámparas incandescentes y fluorescentes (factor de potencia corregido), así como cargas inductivas en CC.
Sólo disponible en los relés tipos C7.
Carga máxima:
6A @ 230V AC5a/b (lámparas)
10A @ 230V AC15
1,5A @ 110V DC1

Relé de aplicación de ferrocarril RW Aplicación de ferrocarril Aplicación de ferrocarril

Diseñado para satisfacer las exigencias del mundo del ferrocarril, desde el alto rango de tensión, hasta la vibración y choque.

Relés con contactos abiertos G Relés con contactos abiertos Relés con contactos abiertos

La disposición de contactos abiertos permite aumentar la distancia entre contactos (gap) y obtener mayor capacidad de ruptura en CC.
Distancia entre contactos (gap): 1,5 mm (tipos QR-C); 1,7 mm (MR-C)
Aislamiento de contactos NA: > 2000 Vrms
Carga máxima:
16A @ 230V AC1
1,2A @ 110V DC1
0,4A @ 220V DC1

Relés con soplado magnético M Relés con soplado magnético Relés con soplado magnético

Esta versión es similar al tipo X de doble ruptura pero con un potente imán que barre el arco generado al separarse los contactos evitando así el cebado y la soldadura de los contactos.
Carga máxima:
10A @ 220V DC1
2A @ 220V DC13

Especificaciones técnicas

Los datos señalados en las especificaciones de cada modelo se refieren a valores típicos medidos a 20°C y relés nuevos.
De acuerdo con la norma europea EN 60947.

Tablas

Las tablas de vida eléctrica y máxima carga en CC reflejan el comportamiento típico obtenido en condiciones de temperatura ambiente de 20°C y frecuencia de 1200 operaciones / hora, así como en conexión permanente.
Los valores que se muestran pueden variar ligeramente según las condiciones de trabajo.

Margen de sobretensión

La bobina soporta, en conexión permanente, una sobretensión máxima de 110% UN con carga máxima en los contactos y 60°C, temperatura ambiente.

Relés para aplicaciones especiales

Releco a través de Kühn Controls AG ofrece su colaboración y ayuda más rápida y eficaz para la mejor aplicación de sus productos, así como para el desarrollo de modelos con especificaciones no estándar.

Está interesado?… o tiene preguntas acerca de los relés RELECO ? entonces llamemos por teléfono al: +49 (0)7082-940000 o envíenos un Fax al : +49 (0)7082-940001, o escribanos un correo al: consultar a Kühn Controls … nosotros nos ocupamos de su consulta…

Kühn Controls AG, Oficina de ventas Alemania, Gräfenhäuser Str. 14, 75305 Neuenbürg, Germany / Alemania  •  Tel.: +49 7082 940000  •  Fax: +49 7082 940001  •  contacto  •  Aviso legal  •  Inicio.


This Site is created by Kühn Controls  Kühn Controls AG, all rights reserved.